Wilfried Rohm , HTL Saalfelden
| Bericht zur Klausurarbeit "Angewandte Mathematik und Fachtheorie" |
Überblick:
Es werden zunächst die Überlegungen geschildert, welche zur Formulierung der Aufgaben-stellungen führten. Neben den Aufgabenstellungen, den Bewertungsgrundlagen und einer kurzen Nachlese wird die Bearbeitung einer Aufgabe durch einen (sehr guten) Kandidaten vorgestellt.
1. Der Weg zur schriftlichen Reifeprüfung
Der von mir betreute Jahrgang V. Elektrotechnik hatte im Schuljahr 1997/98 12 Schüler. Ich hatte den Jahrgang erst im IV. Jahrgang übernommen. Vorher wurden sie in Mathematik von einem fachlich versierten Mathematiklehrer sozusagen in klassischer Manier ausgebildet. Der Computereinsatz im Mathematikunterricht fand dabei aber nur sehr am Rande statt.
Im IV. Jahrgang wurden von mir folgende Themenblöcke behandelt, die letztlich auch das mathematische Rüstzeug für die Reifeprüfung bildeten:
[Die andere Gruppe hatte darzustellen, wie ein Amplitudenspektrum einer Fourierreihe mit Hilfe von DERIVE berechnet und dargestellt werden kann]
|
Der Unterricht war bis auf wenige Ausnahmen (z.B. einem kurzen Exkurs in die Informationstheorie) der Vorbereitung auf die Reifeprüfung gewidmet, was bei einer Wochenstunde auch nicht anders möglich war. Das hochgesteckte Ziel war es, einen fächerübergreifenden Unterricht zu gestalten, der einerseits wesentliche Grundlagen der Elektrotechnik zusammen mit der entsprechenden Mathematik wiederholt und andererseits auch parallel zum aktuellen Fachunterricht die dahinterstehende Mathematik durchleuchtet. Ich habe versucht, dies in 30 "Beispiele" zu fassen, die aber mehr Problemstellungen als klassische Mathematikaufgaben sein sollten. Diese wurden zum Teil als Hausübungen gegeben, im Unterricht besprochen, teilweise abgesammelt und von mir verbessert. Daraus ergab sich auch eine Grundlage zur Notengebung, es wurden keine Schularbeiten durchgeführt.
Die Beispiele sollten den Schülern auch die Richtung zeigen, in welche die Fragestellung bei der Reifeprüfung erfolgen sollte. Zu erwähnen wäre noch, dass ich den Kontakt zu unseren Technikern gesucht habe und teilweise ein fächerübergreifender Unterricht dadurch erleichtert wurde. So lud ich den Grundlagenlehrer ein, einer Stunde beizuwohnen, wo wir u.a. das Induktionsgesetz und andere Grundlagenfragen aus der Sicht eines Schülers des 5.Jahrganges wiederholen wollten. Auch der Lehrer aus Steuer- und Regelungstechnik kam einmal in meinen Unterricht, als es um die Anwendung der Laplacetransformation in der Regelungstechnik ging. Rückblickend ist zu sagen, dass man derartige Kontakte noch intensivieren könnte, man allerdings immer auch auf die Gunst des Stundenplanes (Fensterstunden,...) und natürlich das Interesse der Kollegen angewiesen ist. Empfehlenswert ist es vor allem, jene Fachbücher, welche die Schüler im Unterricht verwenden, auf brauchbares Material hin zu durchsuchen. (Beispiele: Grundlagenbücher, Bücher der Elektronik / Nachrichtentechnik / Regelungstechnik)
2. Zur Auswahl der Aufgaben für die schriftliche Reifeprüfung
Die Klausurarbeit wurde im CAD-Raum durchgeführt, wo genügend Arbeitsplätze und auch viel Platz für die Schüler vorhanden war. Wir installierten extra ein eigenes Netz, in dem jeder Schüler nur eingeschränkte Rechte hatte, sodaß ein Schwindeln nicht möglich war. Trotzdem arbeitete ich 2 Gruppen zu je 3 Beispielen (Gruppe A und B) aus. Jeder Schüler hatte die freie Wahl, 2 Beispiele zur Bearbeitung auszuwählen. (Von den 12 Schülern hatten 11 den Freigegenstand Qualitätssicherung besucht, sodaß ich bei einer Gruppe auch zu diesem Thema eine Frage stellen konnte)
Bei der Auswahl der Beispiele habe ich mich von einigen grundsätzlichen
Erwägungen leiten lassen: Um den verschiedenen "Typen" von Schülern
etwas entgegenzukommen, waren die Beispiele prinzipiell etwas unterschiedlich
angelegt, auch wenn sie im Schwierigkeitsgrad - zumindest meiner Ansicht
nach - etwa gleich waren! Auch im nachhinein betrachtet war ich mit diesen
Überlegungen zufrieden, es wurde jedes Beispiel zumindest von 2 Schülern
gewählt.
| 1. Beispiel: Kombiniertes Rechen- und Theoriebeispiel - das heißt,
der Schüler soll damit zeigen, dass er die grundlegende, für
die Fachrichtung wesentliche Theorie versteht UND anwenden kann.
2.Beispiel: Angewandtes "Rechenbeispiel" aus der Elektrotechnik, allerdings mit wesentlichen "Interpretationselementen". 3.Beispiel: Ein Beispiel aus der angewandten Mathematik, das insofern "mathematischer" ist, als es nicht auf die spezielle Fachrichtung zugeschnitten ist, sondern mehr oder weniger unabhängig von der Fachrichtung ist. Auch hier wird auf allgemeine Erklärungen bzw. Formulierungen Wert gelegt. |
Meine ursprüngliche Idee war es ja, zumindest eine Fragestellung als eine Art Aufsatz mit mathematisch-technischen Inhalt zu geben.
Das folgende Beispiel zeigt, wie ich mir das vorgestellt hatte. Dieses
Beispiel wurde übrigens als eines der 30 Übungsbeispiele den
Schülern während des Jahres als Hausübung gestellt (und
im Unterricht besprochen).
| Transformationen und ihre Anwendung in der Elektrotechnik:
Þ Erklären Sie das Grundprinzip der Ihnen bekannten Transformationen, die in der Elektrotechnik Verwendung finden und demonstrieren Sie ihre Anwendung an je einem instruktiven Beispiel (auch mit Rechnereinsatz) Stichworte: Symbolische Methode in der Wechselstromtechnik, Laplacetransformation, Fouriertransformation |
3. Die Fragestellungen aus "Angewandte Mathematik und Fachtheorie":
GRUPPE A: Wählen Sie 2 aus den folgenden 3 Aufgabenstellungen
I) Fourierreihen
1. Erklären Sie ausgehend von physikalischen Überlegungen die grundsätzlichen Ideen, wie man zur Formel der (reellen) Fourierreihe gelangt.II) RLC-Tiefpaß
2. Nennen Sie zwei Beispiele für die Anwendung dieser Fourierreihen im Bereich der Elektrotechnik und erklären Sie diese.
3. Demonstrieren Sie die Berechnung einer Fourierreihe und deren Amplitudenspektrum am Beispiel einer Phasenanschnittsteuerung (mit Hilfe eines TRIACs)
![]()
4. Ist die Funktionsgleichung unbekannt, muß über Abtastwerte die Fourierreihe numerisch berechnet werden. Was ist dabei zu beachten? Berechnen Sie auf diese Weise die Fourierreihe zu den Abtastwerten des Magnetisierungsstromes eines Trafos, die dem Schirmbild eines Oszilloskopes entnommen wurden (siehe File A_BSP1.MCD). Erklären Sie die verwendeten Formeln.

1. Bestimmen Sie den Amplitudengang und Phasengang der komplexen Übertragungsfunktion (III) Ausgleichs- und Interpolationsfunktionen) und stellen Sie ihn in einem Bodediagramm dar. Berechnen Sie die Grenzfrequenz, untersuchen Sie den Einfluß des Widerstandes R und interpretieren Sie das Ergebnis.
2. Interpretieren Sie das Bodediagramm weiters hinsichtlich Resonanz bzw. Resonanzüberhöhung bei Widerstandswerten zwischen 0 W und 50 W.
3. Untersuchen Sie die Sprungantwort des oben gezeichneten Schwing-kreises auf eine Gleichspannung mit Amplitude 1 Volt und R= 20 W, L=1mH, C=1mF (mit Schaubild). Berechnen Sie ferner jenen Widerstand R, der (bei gleichbleibenden anderen Werten) zum aperiodischen Grenzfall führt (+Darstellung) und erläutern Sie die Bedeutung des aperiodischen Grenzfalles.
1. Erklären Sie die Begriffe "Ausgleichsfunktion" und "Interpolationsfunktionen", schildern Sie die unterschiedlichen Möglichkeiten, die man bei der Bestimmung derartiger Funktionen hat. Nennen Sie typische Anwendungsbeispiele.
2. Eine Glühlampe stellt einen nichtlinearen Widerstand dar. Die Spannung-Strom-Kennlinie U=f(I) verläuft daher nicht geradlinig, läßt sich aber annähernd durch eine kubische Funktion vom Typ
Die Unbekannten a und b sollen aus der folgenden Meßreihe nach
dem Prinzip der kleinsten Quadrate ermittelt werden. Dabei soll der exakte
Rechengang samt entsprechender Kommentierung dargestellt werden. Stellen
Sie das Ergebnis grafisch dar.
| Messwerte: | ||||||||||||
|
||||||||||||
| 3. Legen Sie (ebenfalls mit nachvollziehbarem Rechengang) durch die folgenden Punkte eine Polynomfunktion maximalen Grades und vergleichen Sie das Ergebnis mit anderen Interpolationsmöglichkeiten. | ||||||||||||
|
Gruppe B: Wählen Sie 2 aus den folgenden 3 Aufgabenstellungen
I) Laplace-Transformation und ihre Anwendung in der Elektrotechnik
Das Verhalten (ua(t) und iL(t)) eines Vierpol (siehe Skizze) soll untersucht werden. Am Eingang liege ein Rechtecksimpuls gemäß Skizze an.
1. Erläutern Sie ausgehend von diesem Beispiel die Vorteile der Anwendung der Laplace-Transformation in der Elektrotechnik.
2. Leiten Sie die wesentlichsten Elemente der Laplace-Transformation her, die Sie für dieses Beispiel benötigen.
3. Lösen Sie das Beispiel für R = 50W, L = 1mH und U0 = 10 Volt.
4. Erklären Sie die unter 3. erhaltene Lösung aus elektrotechnischer Sicht.
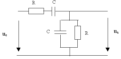
II) Wien-Schaltung
In der Meßtechnik und in Schaltungen zur Schwingungserzeugung
findet sich die unten angegebene RC-Kombination nach Wien (Wien-Glied).
Mit dieser Schaltung lassen sich Phasenverschiebungen zwischen der Eingangs-
und Ausgangsspannung herstellen.
1. Stellen Sie Amplitudengang und Phasengang der komplexen
Übertragungsfunktion (
)
in einem BODE-Diagramm dar.
Vergleichen Sie das Bodediagramm mit der
Ortskurve der Übertragungsfunktion und interpretieren Sie das
Ergebnis.
(wählen Sie R=15,9 kW
; C=10 nF ; Frequenzbereich 10 – 105 Hz)
2. Bei welcher Frequenz f0 wird das Spannungsverhältnis
reell, d.h. keine Phasenverschiebung zwischen Ua
und Ue ?
Bei welcher Frequenz ist die Phasenverschiebung
genau 450 ?
Zeichnen Sie die Werte in den entsprechenden
Kurven / Funktionen ein (siehe Punkt 1)
3. Zeigen Sie, daß f0 auch jene Frequenz
ist, bei der der Amplitudengang maximal ist.
Wie groß ist das Maximum ?
4. Lösen Sie das Beispiel durch symbolische Rechnung
!
(Berechnung von f0 und Berechnung
des Maximums des Amplitudenganges)
– Erklären sie, wie man aus dem Ergebnis
schließen kann, wie sich das Bodediagramm bei einer Veränderung
der Werte von R oder C verändert.

III) Statistische Tests / Qualitätsregelkarten
Bei einem galvanischen Prozeß werden Kontaktstifte
vergoldet. Wesentliches Qualitätsmerkmal ist die Schichtdicke, die
daher zukünftig mittels einer geeigneten `
Regelkarte überwacht werden soll. Dazu wurden nach optimaler Einstellung
des Prozesses aus technologischer Sicht zunächst 125 Meßwerte
ermittelt (Daten abrufbar unter B_Bsp3.MCD).
1. Bestätigen Sie optisch (Klasseneinteilung
und Vergleich mit der Dichtefunktion) und mittels
eines entsprechenden statistischen Tests,
daß für diese Daten Normalverteilung angenommen werden kann.
2. Mit einer entsprechenden Regelkarte soll überprüft
werden, ob die aus diesem Vorlauf ermittelten Schätzwerte
für m
und s stabil bleiben oder ob es Veränderungen
im Lauf der Zeit gibt. Legen Sie diese Regelkarte (zunächst !)
für einen Stichprobenumfang n=5
an und ermitteln Sie die Operationscharakteristiken dieser Karten in
Abhängigkeit von Verschiebungen
der Lage bzw. Veränderung der Prozeßstreuung.
Demonstrieren Sie dabei die Abhängigkeit
der jeweiligen Eingriffswahrscheinlichkeit vom Stichprobenumfang n.
3. Erklären Sie dieses Verhalten am Beispiel der
Mittelwertkarte an Hand der verwendeten Formeln für
Eingriffsgrenzen und Eingriffswahrscheinlichkeit.
4. Beurteilung und Ergebnisse:
Punkteverteilung:
| Gruppe /
Beispiel-Nr |
Teilabschnitte der
Aufgaben |
Punkte | Punktemaximum |
| A – I |
1. Physik (1); Summensatz (2) ; |
|
|
| A – II |
1. Bodediagramm (4) + fgr / R (3) |
|
|
| A – III |
1. Erklärungen, Anwendungen |
|
|
| B – I |
1. Erklärungen |
|
|
| B – II |
1. Bodediagramm, Ortskurve, Interpretation |
|
|
| B – III |
1. Klasseneinteilung, Chiquadrattest |
|
|
Notenschlüssel und Ergebnisse
| Punkte | Prozent | Note |
|
| 0-19 | Unter 50 % | Nicht genügend |
|
| 20-24 | Ab 50 % | Genügend |
|
| 25-30 | Ab 62,5 % | Befriedigend |
|
| 31-35 | Ab 77,5 % | Gut |
|
| 36-40 | Ab 90% | Sehr gut |
|
Einige Beispiele dazu:
[® Gut]
|
5. Nachlese und Reaktionen
Eigentlich hatte ich damit gerechnet, dass (auf Grund meiner Beobachtungen vor der schriftlichen Klausurarbeit) alle Schüler positiv sein sollten.1 Speziell seit Beginn des zweiten Semesters war ich mit der Mitarbeit der Schüler recht zufrieden gewesen. Auch die sogenannten schwächeren Schüler hatten sich im Umgang mit MATHCAD genügend Routine angeeignet, man kann sogar sagen, dass die Programmbeherrschung bei der Reifeprüfung meine Erwartungen sogar übertraf.
Nicht ganz so zufrieden war ich mit den Kommentaren, Interpretationen und allgemeinen Herleitungen. Wie zu erwarten, hatten damit insbesondere schwächere Schüler Probleme, die sich bereits in der Vorbereitungszeit in (leichten) Unmutsäußerungen gezeigt hatten. Einige Male hatten wir daher im Unterricht über die Zielrichtung und die Sinnhaftigkeit dieser Form der Reifeprüfung diskutiert. Dazu kam, dass in dieser Klasse (obwohl so klein) sehr unterschiedliche Typen von Schülern waren – manche mit ausgeprägtem theoretischen Interesse, einige (wenige) mit der Haltung des sogenannten Praktikers: "Z´was brauch´ ma des?"
Im nachhinein betrachtet kann man sagen, dass alle Schüler mit einem gewissen Stolz ihre Leistung sahen. In verschiedenen Gesprächen wurden mir gegenüber folgende Punkte mehrfach genannt:
Auf den folgenden 5 Seiten wird (unverändert!) die Bearbeitung einer Aufgabe durch einen (sehr guten) Kandidaten vorgestellt. Es handelt sich dabei um die II. Aufgabe der Gruppe A (RLC – Tiefpass). Der Schüler hat (meiner Ansicht nach) die Aufgabenstellung (von einigen Kleinigkeiten abgesehen) hervorragend gelöst, dabei fächerübergreifend (Mathematik – Grundlagen der Elektrotechnik) argumentiert und die Grafiken gut interpretiert.
Weggelassen habe ich hier nur einen kleinen (handschriftlichen) Ausflug des Kandidaten in die Regelungstechnik (Polstellen-Nullstellen-Diagramm) UND kleinere Herleitungen auf Papier.
II) RLC-Tiefpaß:
Angaben:
Einheiten in W, H,
F
1) Bodediagramm:
Berechnung der Übertragungsfunktion
F auf Zettel!
vereinfacht auf
Zur Darstellung im Bodediagramm wird 20*log|F(f)| für den Amplitudengang und arg(F(f)) für den Phasengang berechnet. Die Darstellung erfolgt über einen logarithmischen Auftrag von f auf der x-Achse.
Laut Definition wird die Grenzfrequenz dann erreicht, wenn die Amplitude auf 1/sqrt(2) (® -3dB) abgesunken ist:
Startwert:
(aus Bodediagramm geschätzt)
=> Grenzfrequenz mit dem numerischen Lösungsblock given-find berechnet
Zur logarithmischen Darstellung der
Frequenz wird die Hilfsvariable x eingeführt:
AMPLITUDENGANG: (für die dicke Linie gilt: -20dB pro Dek. bzw. -40dB pro Dek.) ![]() |
PHASENGANG: ![]() |
Interpretation:
Da dies ein TP 2.Ordnung ist, gibt es 2 Knickfrequenzen. Dadurch gibt es einen Bereich (nach der 1. Knickfrequenz), indem der Amplitudengang mit 20dB pro Dekade fällt, und einen Bereich (nach der 2. Knickfrequenz) wo der Amplitudengang mit 40 dB pro Dekade fällt.
In aperiodischen Fällen kann man diese 2 Frequenzen im Bodediagramm leicht erkennen. - Mit einer Variation von R lässt sich die Dämpfung und damit auch die Position der beiden Knickfrequenzen bestimmen.
Die beiden Knickfrequenzen sind die reellen Polstellen der Übertragungsfunktion (Nullstellenberechnung im Nenner der ÜF).
Treten komplexe Polstellen auf, macht sich dies im Bodediagramm durch eine Resonanzüberhöhung in der ÜF bemerkbar.
Dazwischen liegt die reelle Doppellösung, wo die 2 Knickfrequenzen soweit zusammengerückt sind, dass sie sich überlagern. Man kann nun den Bereich der
-20dB pro Dekade nicht mehr erkennen.
Man kann dies auch bei der Berechnung der Resonanz und bei der Sprungantwort
erkennen, aber mehr dazu in Punkt 2) und 3).
Grundsätzlich kann man sagen,
daß der Widerstand die Dämpfung der Übertragungsfunktion
beeinflusst.
2) Resonanz:
es gibt ein Maximum, wenn die 1. Ableitung
des Betrags der ÜF Null wird.
hat als Lösung(en)
Händisch vereinfachen: (siehe Zettel)
die Resonanzfrequenz entspricht der natürlichen Frequenz multipliziert mit einem Faktor.
natürliche Frequenz: siehe Punkt 3)
Man kann nun ausrechnen, ab welchem Widerstandswert eine Resonanzüberhöhung auftritt, und zwar dann, wenn die Diskriminante Null wird. Bei einem komplexen Ergebnis tritt keine Resonanz auf.
hat als Lösung(en)
händisch verschönert:
RresGr = 44.721
=> Eintragen des Amplitudenganges mit
RresGr im obigen Bodediagramm
Berechnung der Amplitude der ÜF bei R=0 und f=fres:
da der Ausdruck unter der Wurzel wegfällt!
Bei diesem Spezialfall gibt es keine (!) Dämpfung (logisch, da R=0) und deshalb tritt eine Singularität auf. MATHCAD zeigt hier leider nur einen sehr hohen Wert an.
3) Sprungantwort:
Angaben:
Berechnung mit LAPLACE:
der transformierte Einheitssprung
die bereits transformierte Übertragungsfunktion
die Lösung im Bildbereich ist einfach die Multiplikation von F(s) mit ue(s) und muss nur noch vereinfacht werden.
erweitert auf
danach erfolgt die Rücktransformation
in den Zeitbereich mit der inversen LAPLACE-Transf.
hat inverse Laplace-Transformation
Berechnung des aperiodischen Grenzfalles:
aperiodischer Grenzfall dann, wenn
die Polstelle eine reelle Doppellösung aufweist. (denn das ist der
Übergang von 2 komplexen zu 2 reellen Lösungen)
Dies ist der Übergang von einer schwingenden Sprungantwort zu einer aperiodischen Sprungantwort (siehe charakteristische Gleichung bei der Lösung einer Diff.-Gl. 2. Ord., wo sobald in der e-Potenz ein j vorkommt diese e-Potenz in eine sin- und eine cos-Schwingung zerlegbar ist) weitere Überlegungen auf Zettel !
Berechnung des Raper:
hat als Lösung(en)
=> dies sind die 2 Polstellen !
Berechnen der Doppelpolstelle durch
Null-setzen der Diskriminante:
hat als Lösung(en)
D wird Dämpfungsgrad genannt.
Beim aperiodischen Grenzfall fallen
die 2 Polstellen zusammen, und die 2 Knickfrequenzen im Bodediagramm von
1) fallen zusammen.
Achtung: der aperiodische Grenzfall ist nicht der Fall, bei dem eine Resonanzüber-höhung auftritt (die Diskriminante und das Ergebnis unterscheiden sich nur um den Faktor sqrt(2))
Dies ist logisch, da eine Resonanzüberhöhung auch erst bei D=1/sqrt(2) auftritt.
aperiodischer Grenzfall:
Resonanzüberhöhung: